AC-DC轉換器測試基礎的應用
這是一篇關于AC-DC轉換器測試基礎的應用說明文檔,主要介紹了AC-DC轉換器的基本原理、測試方法及其應用。以下是對這些核心內容的簡要概述:
1. AC-DC轉換基礎:
線性電源:通過鐵芯變壓器將高壓交流電轉換為低壓交流電,再通過二極管整流和電容濾波得到直流電,適用于低噪聲和波紋電壓的實驗室電源。
開關模式電源(SMPS):采用高頻開關技術提高效率,分為低功率級別(<75W)和高功率級別(>75W)兩種設計。
低功率級別:常見拓撲為反激式轉換器,能效可達90%,適用于筆記本電源和移動充電器。
高功率級別:采用兩級轉換設計,如升壓轉換器加諧振半橋轉換器,能效可達95%。


2. AC-DC轉換器測試:
輸入線測試:
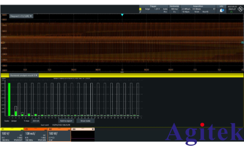
功率質量:包括功率因數(PF)和總諧波失真(THD),PF用于衡量負載利用電源的效率,THD用于衡量電流波形與正弦波的偏差。
浪涌電流:測量轉換器啟動時的最大電流,通常受輸入阻抗和開關相位角影響。
傳導發射:評估轉換器在輸入線上的電磁干擾(EMI),通常使用頻譜分析儀或EMI測試接收機。
輸出線測試:
輸出紋波電壓:測量輸出電壓的波動,包括低頻紋波和高頻開關瞬變。
瞬態負載響應:測試電源對負載突變的響應速度和穩定性。
效率測試:通過測量輸入和輸出功率計算轉換效率,通常使用功率分析儀或示波器。
上電和斷電順序:測量電源上電和斷電時輸出電壓的延遲,確保系統啟動和關閉的可靠性。
3. 測試設備和方法:
設備:推薦使用R&S RTO64示波器、R&S RT-ZHD07高壓差分探頭、R&S RT-ZC20B電流探頭和R&S RT-ZPR20電源軌探頭。
方法:包括使用示波器進行時間延遲測量、功率分析、紋波電壓測量和電流諧波分析等。
4. 結論:
本文介紹了AC-DC轉換器的基本原理和測試方法,強調了示波器在測試中的廣泛應用。
通過合理的測試方法和設備,可以有效地評估和優化AC-DC轉換器的性能。


這篇文章為AC-DC轉換器的測試提供了詳細的指導,并通過具體的測試案例展示了如何使用現代測試設備進行高效、準確的測量。






關注官方微信
