吉時利數字源表(SMU)對功率半導體器件進行測試
吉時利源表(SMU)儀器,可為器件測試工程師及功率模塊設計工程師提供測量所需的工具。不論他們對曲線跟蹤儀、半導體參數分析儀或示波器是否熟悉,都能簡單而迅速地得到精確的結果。本應用筆記介紹了某些最常見的測試、相關挑戰以及吉時利源測量單元(SMU)儀器怎樣簡化測量流程,特別是與吉時利參數曲線跟蹤儀配置進行集成時。
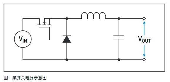
一、功率器件特性分析背景
開關電源是電源管理產品中使用的常見電子電路。在最簡單的開關電源(圖1)中,其主要組成包括半導體(如功率MOSFET)、二極管和一些無源元件(包括電感和電容)。許多開關電源還包括變壓器,用于實現輸入和輸出之間的電子隔離。半導體開關和二極管以受控的占空比輪流導通和關斷,生成期望的輸出電壓。

在對電源效率進行評估時,理解開關損耗(在器件改變開關狀態的短暫時間內出現的能量損耗)和導通損耗(當器件處于開啟或關閉狀態時出現的能量損耗)非常重要。基于吉時利源測量單元(SMU)儀器的解決方案,可以幫助測試工程師對影響傳輸損耗的器件參數進行評估。
半導體器件常常用于電路保護。例如,某些晶閘管器件用作過壓保護。為了實現這一目標,這類器件必須在適當的預期電壓或電流觸發,必須經受預期電壓,必須以最小的電流消耗在電路中發揮作用。為了證明這些器件合格,必須使用高功率儀器。
二、導通狀態特性分析
導通狀態特性分析通常使用能夠為低級電壓測試提供源和測量的大電流儀器。如果器件擁有3個端口,那么,第二個源測量單元(SMU)儀器用在器件控制端,使器件處于導通狀態。關于功率MOSFET導通狀態參數特性分析的典型配置,參見圖2。

吉時利源測量單元(SMU)儀器包含功率半導體器件所需的多種電流。吉時利2600A與2600B系列系統數字源表源測量單元(SMU)儀器包括用于直流特性分析的1.5A直流和10A脈沖以上的能力。對于極高電流的器件,可以并聯使用兩部2651A型高功率數字源表源測量單元(SMU)儀器,生成高達100A的電流脈沖.

吉時利源表Keithley 2600A系列
功率半導體器件往往是高增益器件,對這類器件進行特性分析時,示波器是常見的儀器,其測試結果也是不穩定的。2650A系列源測量單元(SMU)儀器的高速A/D轉換器與ACS基本版本軟件的脈沖瞬態特性,對校驗示波器圖形是非常有用的。示波器校驗包括通過串聯方式為器件控制或輸入端——如MOSFET或IGBT的門極,添加電阻器。
三、導通電壓
半導體器件的導通電壓直接影響著導通損耗。導通電壓實例包括功率二極管的前向電壓(VF)、BJT或IGBT的導通飽和電壓(VCEsat)以及晶閘管的導通電壓(VT)。器件消耗或損失的功率等于導通電壓與負載電流的乘積。
兩個重要因素有助于確保導通電壓測試的成功: (1)精確的電壓測量;(2)適當的電纜和連接。精確的電壓測量非常適合超高功率應用,因為它具有極低的導通電壓(<2V),同時傳輸的電流可能超過100A。
吉時利數字源表源測量單元(SMU)儀器可以與ACS基本版本軟件配合使用,為高功率半導體分立器件測試提供全面解決方案。更多方案歡迎登錄安泰測試官網m.nxxc.com.cn






關注官方微信
